○堺市建築物のエネルギー消費性能の向上等に関する法律施行細則
平成28年3月28日
規則第20号
(趣旨)
第1条 この規則は、建築物のエネルギー消費性能の向上等に関する法律施行令(平成28年政令第8号)、建築物のエネルギー消費性能の向上等に関する法律施行規則(平成28年国土交通省令第5号。以下「省令」という。)及び建築物エネルギー消費性能基準等を定める省令(平成28年経済産業省・国土交通省令第1号)に定めるもののほか、建築物のエネルギー消費性能の向上等に関する法律(平成27年法律第53号。以下「法」という。)の施行について必要な事項を定める。
(令2規則40・令6規則33・令7規則36・一改)
(建築物エネルギー消費性能確保計画の提出又は通知の取下げ)
第2条 法第11条第1項若しくは第2項の規定による提出又は法第12条第2項若しくは第3項の規定による通知をした者は、当該提出又は通知を取り下げようとするときは、建築物エネルギー消費性能確保計画(提出・通知)取下届(様式第1号)を市長に提出しなければならない。
(令2規則40・追加、令7規則36・一改)
2 前項の規定による申請書の提出をする場合における当該申請書及び図書の部数は、正本1通及び副本1通とする。
(令2規則40・追加、令6規則33・令7規則36・一改)
(認定の申請書に添付する図書)
第4条 省令第20条第1項及び第23条第2項第1号に規定する市長が必要と認める図書は、次のとおりとする。
(1) 法第29条第1項の規定による認定の申請又は法第31条第1項に規定する変更認定に関する申請に係る建築物エネルギー消費性能向上計画(法第29条第1項に規定するものをいう。以下同じ。)が、法第14条第1項に規定する登録建築物エネルギー消費性能判定機関及び住宅の品質確保の促進等に関する法律(平成11年法律第81号)第5条第1項に規定する登録住宅性能評価機関に法第30条第1項各号に掲げる基準に適合すると認められた場合にあっては、その旨を記載した書面
(2) 法第30条第2項前段の規定による申出をする場合にあっては、次に掲げる図書及び書類
ア 建築基準法(昭和25年法律第201号)第5条の6第4項の規定により工事監理者を定めた場合にあっては、堺市建築基準法施行細則(昭和44年規則第15号)第9条の2第1項の工事監理者選定届
イ 堺市建築基準法施行細則第8条第1項各号に掲げる書類
2 市長は、必要があると認めるときは、前項に規定する図書のほか、認定に関し参考となる図書を添付させることがある。
(令2規則40・旧第2条一改・繰下、令3規則34・令6規則33・令7規則36・一改)
(建築基準関係規定の審査を受ける場合における建築物の安全性の確認)
第5条 市長は、法第30条第2項前段の規定による申出があった場合において、当該申出に係る建築物エネルギー消費性能向上計画に建築基準法第20条第1項第2号又は第3号に掲げる区分に該当する建築物が含まれ、次の各号のいずれかの審査をする必要があるときは、当該審査を行うものとする。
(1) 建築基準法第20条第1項第2号イ又は第3号イの政令で定める基準に従った構造計算で、同項第2号イに規定する方法若しくはプログラムによるもの又は同項第3号イに規定するプログラムによるものによって安全性を確かめる審査(以下この項において「構造計算適合審査」という。)
(2) 建築基準法第3条第2項(同法第86条の9第1項において準用する場合を含む。)の規定により同法第20条の規定の適用を受けない建築物について同法第86条の7第1項の政令で定める範囲内において増築又は改築をする場合における同項の政令で定める基準に適合するかどうかの審査(構造計算適合審査に相当するものに限る。)
2 市長は、前項の審査の結果、安全性を有すると認められない場合においては、法第30条第1項(法第31条第2項において準用する場合を含む。)の認定を行わないものとする。
(令2規則40・旧第3条繰下、令3規則34・令6規則33・令7規則36・一改)
(令2規則40・旧第4条一改・繰下、令3規則34・令7規則36・一改)
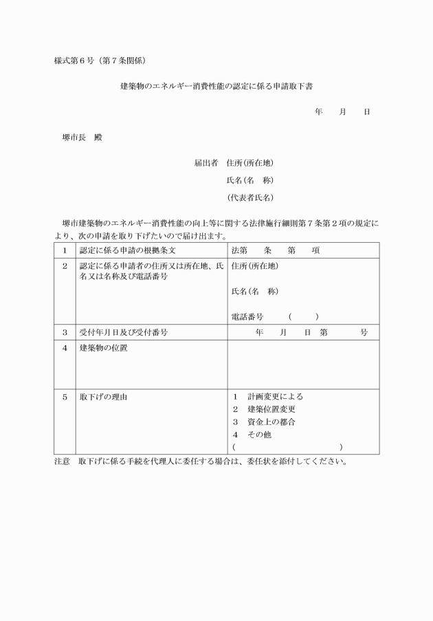
(認定の申請の取下げ)
第7条 法第29条第1項の規定による認定の申請又は法第31条第1項に規定する変更認定に関する申請を行った者は、市長がその認定を行う前に当該申請を取り下げようとするときは、建築物エネルギー消費性能向上計画の認定に係る申請取下書(様式第5号)により市長に届け出なければならない。
(令2規則40・旧第5条一改・繰下、令3規則34・令7規則36・一改)
2 前項の規定による申請書の提出をする場合における当該申請書及び図書の部数は、正本1通及び副本1通とする。
(令2規則40・旧第6条・全改、令3規則34・令6規則33・令7規則36・一改)
(1) 認定建築物エネルギー消費性能向上計画に基づく建築物の建築に係る工事が完了したとき。 認定建築物エネルギー消費性能向上計画に基づく建築物に係る建築工事完了報告書(様式第9号)
2 市長は、必要があると認めるときは、前項に規定する書面のほか、参考となる図書又は書面を添付させることがある。
(令2規則40・旧第7条一改・繰下、令3規則34・令7規則36・一改)
(工事等の取りやめ)
第10条 認定建築主は、認定建築物エネルギー消費性能向上計画に基づく建築物の建築の取りやめを申し出ようとするときは、認定建築物エネルギー消費性能向上計画に基づく建築物の建築の取りやめに関する届出書(様式第11号)に、認定通知書(変更認定を受けた者にあっては、認定通知書及び変更認定通知書)を添えて、市長に届け出なければならない。
(令2規則40・旧第8条一改・繰下、令7規則36・一改)
(取消しの通知)
第11条 市長は、法第34条の規定による取消しを行った場合は、堺市認定建築物エネルギー消費性能向上計画に係る認定取消通知書(様式第12号)により認定建築主に通知するものとする。
(令2規則40・旧第9条一改・繰下、令3規則34・令7規則36・一改)
(認定建築物エネルギー消費性能向上計画であることの証明書の交付)
第12条 認定建築物エネルギー消費性能向上計画であることの証明書の交付を受けようとする者は、堺市認定建築物エネルギー消費性能向上計画であることの証明書交付申請書(様式第13号)により、市長に申請しなければならない。
(令2規則40・旧第10条一改・繰下、令7規則36・一改)
附則
この規則は、平成28年4月1日から施行する。
附則(令和2年3月31日規則第40号)
この規則は、公布の日から施行する。
附則(令和2年10月30日規則第109号)
(施行期日)
1 この規則は、令和2年11月1日から施行する。
(経過措置)
2 この規則の施行の際、この規則による改正前の各規則の様式に関する規定により作成され、現に保管されている帳票については、当分の間、この規則による改正後の各規則の様式に関する規定による帳票とみなして使用することができる。
附則(令和3年3月30日規則第34号)
(施行期日)
1 この規則は、令和3年4月1日から施行する。
(経過措置)
2 この規則の施行の際、この規則による改正前の堺市都市の低炭素化の促進に関する法律施行細則及び堺市建築物のエネルギー消費性能の向上に関する法律施行細則の様式に関する規定により作成され、現に保管されている帳票については、当分の間、この規則による改正後の堺市都市の低炭素化の促進に関する法律施行細則及び堺市建築物のエネルギー消費性能の向上に関する法律施行細則の様式に関する規定による帳票とみなして使用することができる。
附則(令和6年3月28日規則第33号)
(施行期日)
1 この規則は、令和6年4月1日から施行する。
(経過措置)
2 この規則の施行の際、第3条の規定による改正前の堺市建築物のエネルギー消費性能の向上に関する法律施行細則の様式に関する規定により作成され、現に保管されている帳票については、当分の間、同条の規定による改正後の堺市建築物のエネルギー消費性能の向上等に関する法律施行細則の様式に関する規定による帳票とみなして使用することができる。
附則(令和7年3月28日規則第36号)
(施行期日)
1 この規則は、令和7年4月1日から施行する。
(経過措置)
2 この規則の施行の際、この規則による改正前の堺市建築物のエネルギー消費性能の向上等に関する法律施行細則の様式に関する規定により作成され、現に保管されている帳票については、当分の間、この規則による改正後の堺市建築物のエネルギー消費性能の向上等に関する法律施行細則の様式に関する規定による帳票とみなして使用することができる。
(令2規則109・全改、令3規則34・令6規則33・令7規則36・一改)

(令2規則109・全改、令3規則34・令6規則33・令7規則36・一改)

(令2規則40・追加、令6規則33・令7規則36・一改)

(令2規則40・旧様式第1号一改・繰下、令3規則34・令6規則33・令7規則36・一改)

(令2規則109・全改、令3規則34・令6規則33・一改)

(令2規則40・旧様式第4号一改・繰下、令6規則33・一改、令7規則36・旧様式第7号一改・繰上)

(令2規則109・全改、令3規則34・令6規則33・一改、令7規則36・旧様式第8号一改・繰上)

(令2規則40・追加、令3規則34・令6規則33・一改、令7規則36・旧様式第9号一改・繰上)

(令2規則109・全改、令3規則34・令6規則33・一改、令7規則36・旧様式第10号繰上)

(令2規則109・全改、令3規則34・令6規則33・一改、令7規則36・旧様式第11号繰上)

(令2規則109・全改、令3規則34・令6規則33・一改、令7規則36・旧様式第13号繰上)

(令2規則40・旧様式第10号一改・繰下、令3規則34・令6規則33・一改、令7規則36・旧様式第14号一改・繰上)

(令2規則109・全改、令3規則34・令6規則33・一改、令7規則36・旧様式第16号一改・繰上)

(令2規則40・旧様式第13号一改・繰下、令3規則34・令6規則33・一改、令7規則36・旧様式第17号一改・繰上)
